AFPM100消防設備電源監控系統在哈爾濱華南城現代商貿物流城項目中的應用
徐霜
安科瑞電氣股份有限公司 上海嘉定
摘要:AFPM100消防設備電源狀態監控器是AFPM消防設備電源監控系統的核心,監控設備通過RS485總線與多臺傳感器相連,構成集散式消防設備電源監控系統,實時監控消防設備電源的工作狀態。本文通過對哈爾濱華南城現代商貿物流城項目的介紹,重點闡述AFPM100消防設備電源狀態監控器所實現的功能及其重要意義。
1.前言
哈爾濱華南城位于團結鎮四環高速東側,中國東北1200萬平米世界級商貿物流航母,打造為東北亞五金建材家居采購博覽中心。 分為市場商貿展示區、綜合配套商業服務區、倉儲物流配送區、生活服務配套區等功能區,各功能區將為紡織服裝、化工、機電、建材裝修及裝飾、小商品、農用機械設備及配件、農副產品與土特產、汽車及汽車用品、醫藥及保健品、五金、皮革皮具、電子等十二大行業門類提供展示交易平臺,并為入駐商戶提供物流、信息、電子商務、會展、檢驗檢測、品牌推廣、研發、設計、貿易、培訓、金融、通訊等各種生產服務,同時為交易市場的經營戶、員工、采購商、供應商及其他從業人員與客戶,提供必備的生活服務配套,成為集多種功能于一體的現代化綜合商貿物流園,成為東北地區經營規模最大、經營商品種類最多、服務功能最全、現代化程度最高的商貿物流城市綜合體。
2.系統需求分析
探測消防設備電源的過壓、欠壓、缺相、供電中斷度等信號,發出聲光信號報警,準確報出故障線路地址,監視故障點的變化。儲存各種故障和操作試驗信號,顯示系統電源狀態。
3.參考標準
近期,國家為了加大消防設備電源監控防范的力度,相繼制訂或修改了一批相關標準規范,加強對消防設備電源的預防。主要有:
1.1.GB28184-2011《消防設備電源監控系統》。
1.2.GB25506-2010《消防控制室通用技術要求》。
4.系統組成
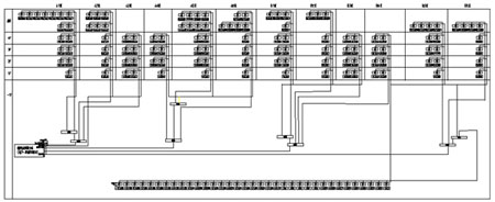
哈爾濱華南城現代商貿物流城項目由消防設備電源狀態監控器、傳感器組成。本項目通訊總線共接入四條通訊總線,總線在各消防配電箱手拉手串接后,接入壁掛式后臺,組成消防設備電源監控系統的大動脈。箱體中傳感器通過主機進行24V直流供電。以上所述組成一套信號穩定,精度可靠的消防設備電源監控系統。本系統組網共分為三層:
1)站控管理層
站控管理層針對消防設備電源監控系統的管理人員,是人機交互的直接窗口,也是系統的最上層部分。主要由系統軟件和必要的硬件設備,如顯示屏、UPS電源等組成。監測系統軟件對現場各類數據信息計算、分析、處理,并以文字、數顯、聲音、指示燈等方式反應現場運情況。
監控主機:用于數據采集、處理和數據轉發。為系統內或外部提供數據接口,進行系統管理、維護和分析工作。
UPS:保證計算機監測系統的正常供電,在整個系統發生供電問題時,保證站控管理層設備的正常運行。
后臺監控設備設置在消控室中。
2)網絡通訊層
通訊介質:系統主要采用阻燃屏蔽雙絞線,以RS485接口,MODBUS通訊協議實現現場設備與上位機的實時通訊。
電源介質:通過阻燃兩芯線由上位機對現場所有傳感器供直流24V電源,從而保證在任何情況下模塊都能夠保持工作狀態。
3)現場設備層
現場設備層是數據采集終端,主要為AFPM3-2AV系列傳感器和AFPM-ZJQ消防設備電源中繼器組成。
系統結構拓撲圖如下:

5.消防設備電源設備

5.1、 AFPM100消防設備電源監控后臺:
主要技術參數
電源
①主電源:AC220V 50Hz(允許85%-110%范圍內變化)
②備用電源:主電源低電壓或停電時,維持監控設備工作時間≥8h
③監控器為連接的模塊(電壓/電流信號傳感器)提供DC24V電源
- 1
- 2
- 總2頁
http:www.mangadaku.com/news/55569.htm
