智能型電動機控制器在某鐵路的應用
徐霜
(安科瑞電氣股份有限公司,上海 嘉定 201801)
摘要:隨著我國鐵路運輸量的日益增長,火車通過道岔速度的不斷提高,密度不斷加大,道岔轉換設備的任何故障,都將影響鐵路運輸的正常秩序,給生命財產帶來嚴重損失,鐵路轉轍電機為鐵路系統中較為重要的電氣設備,對轉轍電機進行保護控制,對提高鐵路運輸效率和保證火車安全運行起著至關重要的作用,本文以安科瑞ARD3電動機控制器在某鐵路的應用為例進行介紹,鐵路系統使用電機控制器實現對轉轍電機保護、控制,有效保障了鐵路運輸效率及火車的安全運行,根據對ARD3電動機控制器功能要求及典型工程應用作簡單介紹,為今后該控制器在鐵路實踐應用提供了一定的理論基礎。
1、引言
在推進社會進步和經濟發展過程中,鐵路一直處于重要位置,自鐵路運行以來,我國鐵路系統中重要部分主要體現在道岔轉換設備上,因此對鐵路道岔轉轍電機的可靠性提出了更高的要求,進而對轉轍電機實現控制保護顯得尤為重要。
同時,隨著我國鐵路運輸量的不斷增長,火車通過岔道的速度逐步提高,加之開通了重載火車及采用了重型鋼軌道岔,使得道岔轉換設備的工作狀況發生了顯著變化,轉轍電機由小功率逐漸向大功率發展,因而轉轍電機的任何故障,都將影響鐵路運行的正常秩序,給生命、財產帶來嚴重損失[1],為了盡可能的避免事故的產生,對鐵路轉轍電機采用智能型電動機控制器控制,利用先進的計算機網絡技術和通訊技術,能夠完成對轉轍電機所需的各項控制、監視和記錄功能,可以通過編程將投入的保護和控制功能分配至輸出繼電器上,利用控制器面板上的LED指示燈、液晶顯示屏或鍵盤,獲取鐵路轉轍電機各序電流、發熱狀態、運行時間等各種數據,并可通過按鍵來控制電動機起動、停車、復位、設置參數等,連接控制器的RS485通訊端子,遠方運行人員也可以通過人機界面實現存儲在保護裝置中數據的讀取、分配給各個輸出繼電器不同的功能、數據的設置和修改、事件記錄及故障波形顯示,本文主要對安科瑞ARD3控制器的功能及其在某鐵路的典型工程應用進行具體介紹。
2、鐵路對電動機控制器功能要求
鐵路系統轉轍電機是鐵路運行中一種重要的電氣設備,它對提高鐵路運輸效率和保證火車安全運行起著至關重要的作用,因而對其可靠性、穩定性及功能要求極高,某鐵路系統轉轍電機對ARD3控制器具體功能要求為:
(1) 控制功能:實現對鐵路轉轍電機過載、斷相、不平衡、剩余電流、堵轉、阻塞、欠載、欠壓、起動超時、相序、溫度等現象控制、保護;
(2) 故障判斷及記錄功能:當ARD3檢測到外部故障輸入信號,外部故障開關量閉合,保護器在脫扣設定時間內脫扣,即按照設定要求保護,確保轉轍電機設備安全運行;
(3) 顯示功能:通過顯示模塊對鐵路轉轍電機運行過程中三相電流、電壓、有功功率、視在功率、功率因數等參數進行實時顯示;
(4) 通訊功能:具有標準的RS-485通訊接口,采用Modbus-RTU、Profibus-DP通訊協議, 控制室操作人員通過控制器通訊,在后臺人機界面上完成鐵路轉轍電機控制器各種參數讀取、設置,同時在線監測電機運行故障,為保證工藝系統安全生產、減少事故停車,提供了可靠依據。
3、智能型電動機控制器概述
安科瑞ARD3 智能型電動機控制器,適用于額定電壓至AC 690V、額定電流至AC 800A、額定頻率50/60Hz的電動機,產品體積小,結構緊湊,安裝方便,在低壓控制終端柜和1/4模數及以上各種抽屜柜中可直接安裝使用,提高了控制回路的可靠性和自動化水平。
ARD3采用模塊化的產品結構形式,包括主體控制模塊、互感器模塊和遠程顯示模塊,并可根據需要選配ARD3的其他功能模塊或附件,與接觸器、電動機起動器等電器元件構成電動機控制保護單元,有遠程自動控制、現場直接控制、面板指示、信號報警、現場總線通信等功能,同時具有過載、堵轉、阻塞、欠載、斷相、不平衡、剩余電流(接地/漏電)、溫度、外部故障、相序、過壓、欠壓、欠功率、tE時間等全面的電動機綜合保護功能[2],滿足鐵路系統對電動機控制器的需求。

圖1 250A、800A的ARD3產品組成框圖
主體控制模塊:完成測量、保護和控制等功能,通過增加溫度、電壓、剩余電流、模擬量輸出等功能來完成整個測量與保護功能;
互感器模塊:當電動機額定電流在 100A 及以下時,保護器配用小型專用電流互感器檢測模塊,小型專用電流互感器檢測模塊可以檢測 10 倍以內的過載電流,對輸入電流信號進行檢測,二次側信號接入主體控制模塊;當電動機額定電流大于250A時,配用外置電流互感器;
顯示模塊:通過顯示模塊,實時的顯示當前鐵路道岔轉轍電機的運行情況和三相電流、電壓、功率、電動機的電能等參數,實現了實時監控功能;一旦電機發生故障,保護裝置延時后控制主接觸器線圈失電,控制電動機準確停車。
4、工程應用典型案例
電動機控制器是鐵路運行系統的重要器件,廣泛的采用電機控制器,不但可以提高工藝控制的準確性、科學性,降低事故率,而且對于提高鐵路電氣控制系統的自動化水平和發展國民經濟起著積極的推動作用,下面以安科瑞ARD3智能型電動機控制器在某鐵路運行系統及轉轍電機控制回路應用為例進行具體分析、介紹。
圖2是ARD3控制器在某鐵路系統改造項目中的典型電氣原理圖,圖中轉換開關SA2實現鐵路系統的就地/遠程控制,通過ARD3的14、15開關量輸入端子實現,ARD3的19、20端子控制按鈕1SB、1SBS,實現對鐵路系統就地起動、停止控制,面板控制回路實現遠程起動、停止控制,當電機處于正常狀態,KM線圈與ARD3的7、8串聯,合上斷路器QM,控制器的7、8起動輸出端子閉合,電機啟動運行,ARD3的95、96及97、98實現對電機故障指示、控制,當電機出現故障,95、96端子斷開,KM線圈失電,電機停止,同時97、98端子閉合,故障指示燈亮,ARD3的17、22端子實現斷路器、接觸器狀態控制,整個系統對電機進行控制,同時對故障進行報警指示,保證了鐵路系統的正常運行。

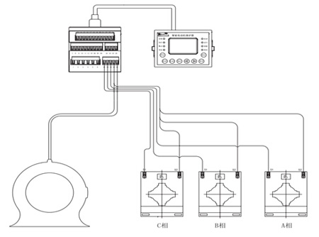
圖2 ARD3在某鐵路系統的應用
圖3是ARD3電動機控制器在某鐵路轉轍電機控制系統中的典型電氣原理圖,圖中接觸器KM的線圈串聯在ARD3繼電器輸出7、8及95、96端子上,按下啟動按鈕SS1,線圈得電時,對應主電路常開觸點閉合,控制電動機起動運行,如果電動機出現故障,ARD3的保護繼電器端子95、96斷開,接觸器線圈斷電,控制電動機停止,進行故障輸出指示[3],同時可以按下停止按鈕SF1停止電機,實現對鐵路轉轍電機控制。
- 1
- 2
- 總2頁
http:www.mangadaku.com/news/55225.htm


